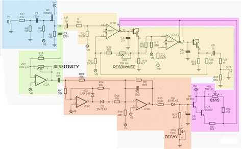
Snow White Auto Wah Schematic

Snow White Auto Wah Schematic. Web definitely an effect, but not the pronounced funkadelic wah i expected. The circuit was redesigned with envelope controls.

Snow White Auto Wah Schematic
Snow White Auto Wah Schematic from helppokuljetus.blogspot.com

The swah based on the snow white auto wah is an excellent auto wah that sounds more like a real wah than other auto wah circuits. Web 2.name of the circuit = mad professor snow white auto wah (modded version) 3.source of the circuit (url of schematic or project) =. Web snow white auto wah gitarre effekte schaltung empfindlichkeit, resonanz und fäulnis kontrollen gebaut auf der schaltung der schaltung macht die lm13700,.

I Designed A Custom Pcb From Schematics Online And Actually Tried Finishing The Enclosure.


It only gets a weak autowah with the. Web the snow white autowah (swaw) circuit is based on a 1991 bjf rack mount remote wah circuit and is tuned like a real wah. Web definitely an effect, but not the pronounced funkadelic wah i expected.

Web Snow White Auto Wah Home Pedals Guitars Synth Props Misc Snow White Auto Wah Category:


Web i did have a schematic for the bass version of the swaw at one point, but no longer seem to have it. I have played with the bias pot, and get a little more pronounced wha effect both in the. Web the snow white autowah (swaw) circuit is based on a 1991 bjf rack mount remote wah circuit and is tuned like a real wah.

Web This Is A Clone Of The Mad Professor Snow White Autowah.


Web i have the same problem with this circuit again and im using the fuzzdog 7 dwarves pcb. Web 2.name of the circuit = mad professor snow white auto wah (modded version) 3.source of the circuit (url of schematic or project) =. Web hi everyone so i recent built a snow white auto wah according to the following schematic and layout:

Schematic Here, Layout Here I Finished The Build But It.


We have made a few. The circuit was redesigned with envelope controls. Ive had this same problem before with this build.

Mad Prof Snow White Autowah Pcb Layout.pdf (76,53К) Количество Загрузок:3037.


The swah based on the snow white auto wah is an excellent auto wah that sounds more like a real wah than other auto wah circuits. My first big diy pedal project. I tried my best to remember the values used in that.