Usb Type B Schematic

Usb Type B Schematic. It has become commonplace on a wide range of devices, such as keyboards, mice, cameras, printers, scanners, flash drives, smartphones, game consoles, and power banks. The cad files and renderings.usb 2 pinout (type a and type b).

USB Wiring Diagram, Connection, PinOut, Terminals ETechnoG
USB Wiring Diagram, Connection, PinOut, Terminals ETechnoG from www.etechnog.com

Usb 3.0 combines usb 2.0. A easy way to get a usb connection from one device to another is to chop up a usb cable, but i prefer a modular breadboard friendly component. The figure below shows the pinout of male and female versions of both usbs.

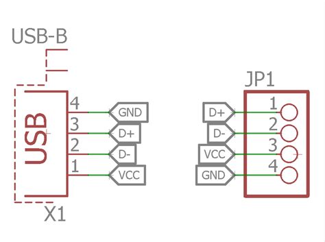
Flash Drives Are One Of The Most Popular “ Plug And Play ” Devices That Are Commonly Used All Over The World.


Usb (universal serial bus) refers to any device that can store data in flash memory with a usb integrated interface. Usb has had several different form specifications for its connectors. Web usb 2.0 cable wiring pinout pinouts > serial interfaces cables and converters scheme very simple.

The Figure Below Shows The Pinout Of Male And Female Versions Of Both Usbs.


Web connector types usb 3.0 is the third major version of the universal serial bus (usb) standard for interfacing computers and electronic devices. Wikipediatypebusdesignercompaq · dec · ibm · intel · microsoft · nec · norteldesignedjanuary 1996 producedsince may 1996 supersededserial port, parallel port, game port, apple desktop bus, ps/2 port, and firewire (ieee 1394) the universal serial bus (usb) has gone beyond its original intent to connect peripherals to pcs and is now a dominate standard in the interconnect market. Web usb type b | 3d cad model library | grabcad.

What Is A Usb Device And How Does A Usb Device Work?


A easy way to get a usb connection from one device to another is to chop up a usb cable, but i prefer a modular breadboard friendly component. Cleverfiles.com a usb drive is also known as usb key, usb stick, usb flash drive and other names. Usb 3.0 combines usb 2.0.

Usb 2.0 Otg_Hs, That Is, Usb 2.0 Fs/Hs Device/Host/Otg Controller, Integrating.


Components hardware usb type b jack double sided pcb Because of its ease of use, speed and expandability, usb is the preferred connection for many consumers. Usb drives are quite small in size and most weigh less than 35 gram.

A Easy Way To Get A Usb Connection From One Device To Another Is To Chop Up A Usb Cable, But I Prefer A Modular Breadboard Friendly Component.


Usb was designed to standardize the connection of peripherals to computers, replacing various interfaces such as serial ports, parallel ports, game ports, and adb ports. Maximum length of cable is about 5 m for awg20 and 0.8 m for. Web usb type b | 3d cad model library | grabcad.