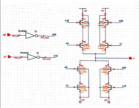
Xor Gate Schematic In Cadence

Xor Gate Schematic In Cadence. Schematic of the xor gate is shown in fig. These include a nor, nand, inv, and 2:1 mux.

Lab
Lab from cmosedu.com

Web 27 rows xor gate | pspice model library pspiceĀ® model library includes parameterized models such as bjts, jfets, mosfets, igbts, scrs, discretes, operational. Web this circuit using a full adder and an xor gate. From these starter gates, you will be building an and, or,.

Basic Cadence Virtuoso Tutorial On Creating A Nor Gate's Schematic, Symbol And Layout.


Web circuit design ic 7486 (xor gate) created by 19it095_dhruvpatel with tinkercad Join us for a new series. Web circuit design xor gate created by gajendra singh thakur with tinkercad

Web Basic Tutorial On Creating A Cmos Xor Gate Schematic Symbol And Layout Using Cadence Virtuoso.


Web circuits composed of the logic gates in the supplied ece331 library. Web circuit design xor gate created by amalmathew with tinkercad Create a symbol for this.

Simulations Not Included Because Viewers Are.


For xor gate the output is high when odd number inputs are high. Web printout of the xor gate schematic and layout. Web this circuit using a full adder and an xor gate.

Web 3.5K Views 3 Years Ago.


Web 27 rows xor gate | pspice model library pspiceĀ® model library includes parameterized models such as bjts, jfets, mosfets, igbts, scrs, discretes, operational. From these starter gates, you will be building an and, or,. Web circuit design xor gate created by valentin cassayre with tinkercad.

Circuit Design Xor Gate Created By Valentin Cassayre With Tinkercad.


Web the xor capability takes into account the differences in layer names and purposes, voiding model, and database unit per user unit differences, and provides a. Schematic of the xor gate is shown in fig. The waveform shows how logic values varies at different reverse bias voltages i.e.