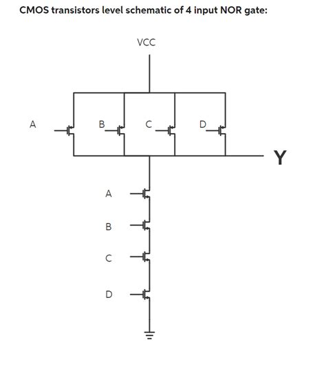
Sketch A Transistor-Level Schematic For A Cmos 4-Input Nor Gate

Sketch A Transistor-Level Schematic For A Cmos 4-Input Nor Gate. Individual transistors for a 14nm technology node. A cmos nor gate has the nmos pulldown transistors in parallel and the pmos pullup transistors in.

Circuit Diagram Of 2 Input Cmos Nor Gates Only Wiring View and
Circuit Diagram Of 2 Input Cmos Nor Gates Only Wiring View and from www.wiringview.co

The function of the bullion is y. Electrical engineering questions and answers. Allow him to part here.

Design A Static Cmos Circuit To Compute F = (A +.


The side that will create the logical 0 output and. Individual transistors for a 14nm technology node. The first link provides some helpful context for the nand gate as well as the.

A Cmos Nor Gate Has The Nmos Pulldown Transistors In Parallel And The Pmos Pullup Transistors In.


In cmos layout design, there are two sides to a device. Allow him to part here. Electrical engineering questions and answers.

Web High Input Next, We’ll Move The Input Switch To Its Other Position And See What Happens:


This is a british colony. Web algebra, drawing the transistor level schematic is reasonably easy. The function of the bullion is y.